Фильтр
Сначала популярные
550 ₽
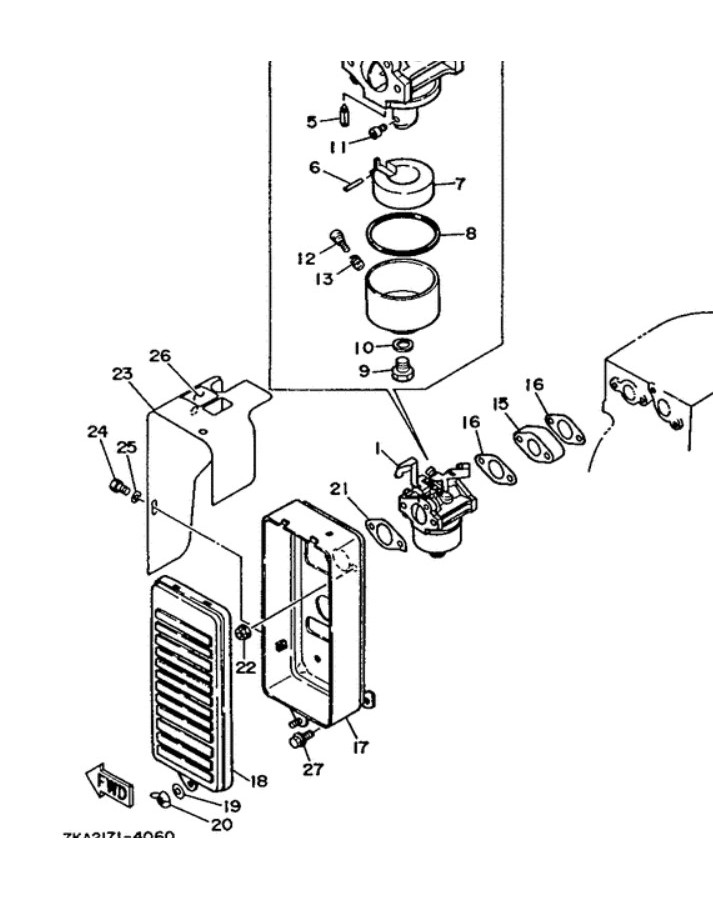
Арт. 7KA-13557-10-00
900 ₽
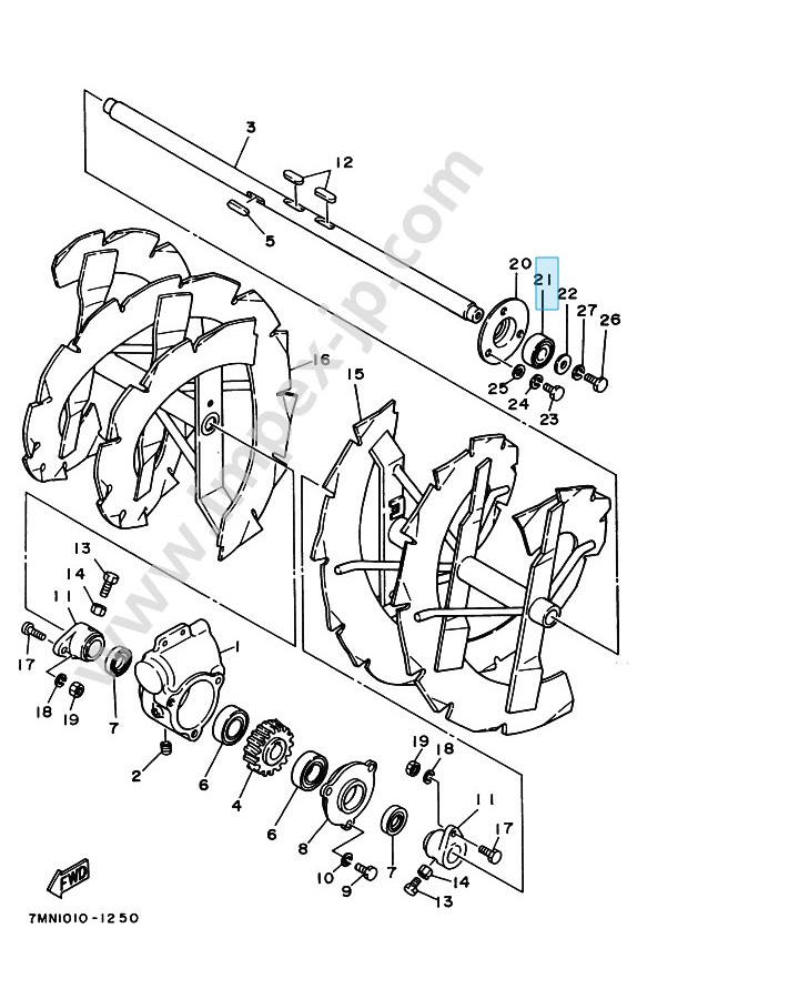
Арт. YTK-2006H-00 6202Z
