АКВАЦЕНТР ДВ
Информация
Контакты
О компании
Покупай для бизнеса
    • Винты гребные
      Винты гребные
      • Для подвесных моторов      
        • Yamaha
        • Suzuki
        • Honda
        • Tohatsu\Mercury (Japan)
        • Mercury USA
        • Johnson/Evinrude/OMC
        • Универсальные Michigan
      • Втулки винта
      • Защита гребных винтов и редуктора
      • Крепеж гребных винтов
      • Для угловых колонок      
        • MERCRUISER
        • Volvo Penta
    • Запчасти и комплектующие для лодочных моторов и катеров
      Запчасти и комплектующие для лодочных моторов и катеров
      • Водометные насадки      
        • Водометные насадки в сборе
        • Запчасти и комплектующие для водометных насадок
      • Запчасти для лодочных моторов      
        • Детали подвески, дейдвуды
        • Детали системы охлаждения, термостаты
        • Детали трима (гидроподъемник)
        • Детали цилиндро-поршневой группы
        • Запчасти ГРМ
        • Капоты и детали
        • Поддон и детали управления
        • Прокладки ДВС, уплотнения, сальники
        • Редукторы, детали редукторов
        • Румпель
        • Система зажигания
        • Электрозапуск и прочая электрика
        • Кнопки и чеки
        • Наборы для тех. обслуживания
        • Ручной стартер и детали
        • Система топливная
      • Запчасти для стационарных ДВС      
        • Аноды
        • Впускная и топливная система
        • Детали (прочее)
        • Детали выхлопа
        • Детали ГРМ
        • Детали маховика
        • Детали угловых колонок
        • Детали гидроподъёма колонки
        • Детали цилиндро-поршневой группы
        • Детали системы охлаждения, термостаты
        • Подшипники
        • Прокладки, уплотнения, сальники
        • Ремни, ролики, шкивы
        • Спец. инструмент
        • Угловые колонки в сборе
        • Электрооборудование
        • Система зажигания
        • Кронштейны и крепления
      • Комплектующие лодок и катеров      
        • Аксессуары на лодку
        • Безопасность на воде
        • Мебель для лодок
        • Насосы для лодок ПВХ
        • Огни ходовые
        • Помпа осушительная
        • Транспортировка лодок
        • Управление судном
        • Прочие комплектующие
        • Топливные аксессуары
        • Якорно-швартовое оборудование
    • Запчасти на генераторы
      Запчасти на генераторы
    • Запчасти для снегоходов
      Запчасти для снегоходов
      • Оптика
      • Вариатор и детали      
        • Валы трансмиссии
        • Вилки включения передач
        • Грузики вариатора
        • Диски вариатора
        • Корпуса подшипников
        • Муфты вариатора
        • Наконечники тяги
        • Натяжители цепи вариатора
        • Стопорные кольца
        • Сухарики вариатора
        • Цепь Кпп
        • Шайбы вариатора
        • Шестерни трансмиссии
        • Детали вариатора
        • Ремкомплекты вариатора
        • Ремни вариатора
      • Гусеницы
      • Детали ГРМ      
        • Клапана, пружины клапанные
        • Шестерни ГРМ
        • Маслосъемные колпачки
        • Натяжители, успокоители цепи
        • Цепи ГРМ
      • Детали корпуса      
        • Крепление капота
        • Крепление стекла снегохода
      • Детали подвески и трака      
        • Амортизаторы
        • Кронштейны подвески
        • Лыжи
        • Полоз трака
        • Пружины подвески
        • Ролики и звездочки трака
        • Рычаги и тяги
        • Склизы
        • Шаровые опоры
        • Валы привода гусеницы
        • Корпуса подшипников
        • Валы и оси подвески
        • Втулки подвески
        • Подушки и крепления лыж
        • Прочее (подвеска)
      • Детали рулевого управления      
        • Основание крепления руля
        • Пыльник рулевой
        • Рулевой вал
        • Рулевые рычаги и тяги
        • Рулевые наконечники
      • Детали системы охлаждения      
        • Помпа охлаждения в сборе
        • Вентиляторы
        • Прокладки, уплотнения помпы охлаждения
        • Шкив привода
        • Ремкомплекты помпы охлаждения
        • Ремни вентилятора
        • Термостаты
      • Детали цилиндро-поршневой группы      
        • Вкладыши
        • Гильзы цилиндра
        • Коленчатый вал, детали
        • Поршни, поршневые комплекты, кольца поршневые
        • Мотоголовки, блоки цилиндров
        • Шатуны, пальцы, подшипники, шатунные комплекты
      • Подшипники
      • Прокладки ДВС, уплотнения, сальники      
        • Прокладки Кпп
        • Прокладки масляного насоса
        • Кольца уплотнительные
        • Прокладки под головку
        • Прокладки под крышку головки
        • Прокладки под цилиндры
        • Прокладки генератора
        • Ремкомплекты ДВС
        • Сальники
        • Прокладки крышки картера
      • Детали впускной системы      
        • Воздушные фильтры
        • Впускной коллектор
        • Карбюраторы, детали
        • Клапана лепестковые
        • Патрубки
        • Прокладки впускного коллектора
      • Детали выхлопной системы      
        • Диафрагмы, ремкомплекты Rave клапана
        • Гофры и уплотнения глушителя
        • Пружины крепления глушителя
        • Выхлопные трубы, патрубки
      • Система зажигания      
        • Катушка зажигания подмаховиковая
        • Блоки зажигания
        • Катушки генератора
        • Катушки зажигания высоковольтная
        • Катушки момента искрообразования
        • Свечные колпачки
      • Электрика      
        • Провода электрические
        • Выпрямители
        • Замки зажигания
        • Кнопки и чеки
        • Реле, предохранители, датчики
        • Шестерни привода электростартера
        • Электростартеры, маховики, бендиксы
      • Ручной стартер и детали      
        • Детали ручных стартеров
        • Ручной стартер в сборе
      • Система масляная      
        • Крышки масляного бака
        • Масляные баки
        • Тросы маслонасоса
        • Масляные насосы и детали
        • Шестерни системы масляного привода
      • Система топливная      
        • Крышки топливного бака
        • Ремкомплекты топливного насоса
        • Топливные насосы
        • Тросы подсоса
      • Система тормозная      
        • Тормозные диски
        • Тормозные колодки
        • Тормозные шланги
      • Система управления      
        • Детали системы управления
      • Спидометр и детали      
        • Корпуса привода спидометра
        • Тросы спидометра
        • Штифты привода спидометра
      • Тросы газа снегохода
      • Еще
    • Лодочные моторы
      Лодочные моторы
      • Yamaha
      • Suzuki
      • Honda
      • Tohatsu
      • Hingan
      • Mercury
      • Marlin
    • Расходные материалы
      Расходные материалы
      • Антикорозийные и защитные составы
      • Антифриз
      • Герметики
      • Масла для квадроциклов 4-такта
      • Масла для лодочных моторов и катеров      
        • Масло для двухтактных двигателей
        • Масло для четырехтактных двигателей
        • Трансмиссионные масла и смазочные материалы
      • Масла для снегоходов      
        • 2-такта
        • 4-такта
      • Свечи      
        • Свечи для двухтактных двигателей
        • Свечи для четырехтактных двигателей
      • Смазки
      • Фильтры масляные
      • Фильтры топливные
      • х Прочее х
      • Еще
    • Товары для рыбалки
      Товары для рыбалки
    • Запчасти на гидроциклы
      Запчасти на гидроциклы
      • Импеллеры
      • Коленчатый вал и детали
      • Корпуса импеллера, обечайки
      • Прокладки ДВС, уплотнения, сальники      
        • Прокладки под головку
    • Запчасти на снегоуборщики
      Запчасти на снегоуборщики
    • Товары для активного отдыха
      Товары для активного отдыха
    Каталог
    По всему сайту
    По каталогу
    Войти
    0 Избранное
    0 Корзина
    Лодочные моторы Винты Запчасти и комплектующие Расходные материалы
    АКВАЦЕНТР ДВ
    Каталог
    По всему сайту
    По каталогу
    Войти
    0 Избранное
    0 Корзина
    АКВАЦЕНТР ДВ
    0
    0
    АКВАЦЕНТР ДВ
    • Кабинет
    • 0 Избранное
    • 0 Корзина
    • info@akva.parts
    • г. Владивосток, ул. Днепровская 115
    • с 9:00 до 18:30 пн-пт, с 10:00 до 14:00 сб, вс — выходной
    Аквацентр ДВ
    –
    Каталог
    –
    Запчасти и комплектующие для лодочных моторов и катеров
    –
    Запчасти для лодочных моторов
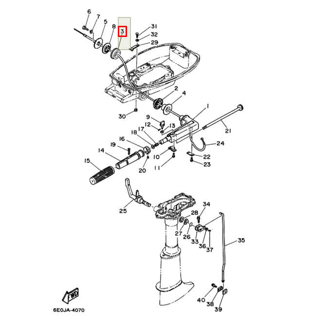
    –Румпель

    Румпель

    320 товаров
    Детали румпеля Детали румпеля
    Румпель в сборе Румпель в сборе
    Тросики газа Тросики газа
    Фильтр
    Сначала популярные
    С начала алфавита
    С конца алфавита
    Сначала непопулярные
    Сначала популярные
    Сначала дешевые
    Сначала дорогие
    Сначала недоступные
    Сначала доступные
    Быстрый просмотр
    Screenshot_44
    7 000 ₽
    Корпус румпеля Yamaha 6-8 (6G1-42111; 6M8-G2111)
    Нет в наличии
    Арт. 6G1-42111-11-4D
    В корзину
    Быстрый просмотр
    Втулка румпеля пластиковая Tohatsu 9.9-30, M40C (PREMARINE) (2, 21)
    Втулка румпеля пластиковая Tohatsu 9.9-30, M40C (PREMARINE) (2, 21)
    Нет в наличии
    Быстрый просмотр
    8548.970 1
    9 730 ₽
    Румпель Yamaha 9.9-15, F6-8 (в сборе) (Omax)
    Нет в наличии
    Арт. 63V-42111-00-4D-TW
    В корзину
    Быстрый просмотр
    Румпель Suzuki DF70A
    Румпель Suzuki DF70A
    Нет в наличии
    Арт. 43761-88L00-0EP
    Быстрый просмотр
    51C6BD79-4C0C-4FD0-8062-9860F533A20D A91FEFAC-EA8B-4872-8C15-C7C4199EFCF8 E93DA675-3B93-411A-B4FF-6172243CAE00 CDBDF384-70B9-4E7F-9E0C-B423BB1D13FD 77539F01-1C97-4650-8399-08CC697E77A7
    9 800 ₽
    Румпель Yamaha 25-30 (в сборе) (Yamaha)
    Нет в наличии
    Арт. 69P-W0084-03-8D
    В корзину
    Быстрый просмотр
    7BC48177-9E83-4AC7-82AB-79C6470A03E7 7A324E57-C9CD-41CB-B49F-C418C95BC475 7A36CBD7-08D4-4C2E-874B-DD79996C8358
    7 200 ₽
    Румпель Yamaha 25-30 (в сборе) (YUELANG)
    Нет в наличии
    Арт. 69P-W0084-00-4D-K
    В корзину
    Быстрый просмотр
    photo_2023-06-16_20-38-32 photo_2023-06-16_20-38-33
    980 ₽
    Основание ручки румпеля Yamaha 3-90, F20-100 (Omax)
    Нет в наличии
    Арт. 664-42119-00-TW
    В корзину
    Быстрый просмотр
    Румпель в сборе с кронштейном Suzuki DT40 (SUZUKI)
    52 340 ₽
    Румпель в сборе с кронштейном Suzuki DT40 (SUZUKI)
    Нет в наличии
    Арт. 63001-97E09-0EP
    В корзину
    Быстрый просмотр
    IMG_9629 IMG_9631 IMG_9630
    9 040 ₽
    Румпель Yamaha 9.9-15, F6-8 (в сборе) (PREMARINE)
    Нет в наличии
    Арт. 63V-42111-00-4D-K
    В корзину
    Быстрый просмотр
    5D76F020-6D1B-42BE-AD2A-FB2B8BDAE36E 654F1640-9C1E-4E88-B7A1-0F1EA8F2B910 8A14F49B-7E82-49FF-ACB5-CCDD93715C94 7C9CDBB6-942E-4FDD-9190-D4BF34F9AB50
    3 200 ₽
    Корпус румпеля Tohatsu 9.9-18 (398S63011-0; 3NTQ63011-0) (YUELANG)
    Нет в наличии
    Арт. 398Q63011-0-K
    В корзину
    Быстрый просмотр
    Румпель Yamaha 25-30 (в сборе) (69P-W0084-01-4D) (HINGAN)
    4 180 ₽
    Румпель Yamaha 25-30 (в сборе) (69P-W0084-01-4D) (HINGAN)
    Нет в наличии
    Арт. 69P-W0084-00-4D-K
    В корзину
    Быстрый просмотр
    B3DD1E1B-55D1-40AC-825F-BD15BA16B8AF 08F2BC67-734B-4732-864E-6945ED64DCF5 C2ED544E-F978-45C1-9FF6-E1DF3AFE6D4E
    8 580 ₽
    Румпель Tohatsu M8-9,8 (WUHU)
    Нет в наличии
    Арт. 3B2S63010-0-K
    В корзину
    Быстрый просмотр
    Втулка румпеля пластиковая Tohatsu 9.9-30, M40C (PREMARINE) (345-63207-0)
    Втулка румпеля пластиковая Tohatsu 9.9-30, M40C (PREMARINE) (345-63207-0)
    Нет в наличии
    Быстрый просмотр
    photo5453995613197806924 photo5453995613197806923 photo5453995613197806925 photo5453995613197806970 photo5453995613197806971
    15 620 ₽
    Румпель Yamaha 40X (в сборе) (PREMARINE)
    Нет в наличии
    Арт. 66T-W0084-02-4D-K
    В корзину
    Быстрый просмотр
    C1C5A46A-D9D2-4324-9234-385D3B8E3EC8 EB253F12-3D1A-40AC-BE67-F39B123E536B 9218970F-8832-4D6D-967F-FF12B2988C76
    3 320 ₽
    Румпель в сборе Tohatsu 9.9-18, 25-30, 40C (398Q63003-0; 3M3Q63005-1; 3LDQ63005-0; 3M3Q63005-2) (YUE
    Нет в наличии
    Арт. 3M3Q63005-1-K
    В корзину
    Быстрый просмотр
    photo1625706710 (1) photo1625706710
    9 020 ₽
    Румпель в сборе Tohatsu 9.9-18, 25-30, 40C (398Q63003-0; 3M3Q63005-1; 3LDQ63005-0; 3M3Q63005-2) (PRE
    Нет в наличии
    Арт. 398Q63003-0-K
    В корзину
    Быстрый просмотр
    IMG_4574 IMG_4575 IMG_4576 IMG_4578
    3 430 ₽
    Трос мультирумпеля Yamaha F80-115 (Omax)
    Нет в наличии
    Арт. 67G-48321-00-TW
    В корзину
    Быстрый просмотр
    Screenshot_49
    350 ₽
    Указатель положения ручки румпеля YAMAHA
    Нет в наличии
    Арт. 6H2-42137-00
    В корзину
    Быстрый просмотр
    F9BABE5F-D203-469C-AD8F-48CE919852FA 8A982FB6-1144-4EC0-9BE3-62C7F3A126F3 ACB4FD5F-5BCB-4E81-8933-0ACCCE3C3372
    650 ₽
    Тросик блокировки запуска Yamaha 40X (WUHU)
    Нет в наличии
    Арт. 66T-15770-00-K
    В корзину
    Быстрый просмотр
    Screenshot_44
    230 ₽
    Демпферная втулка румпеля Yamaha 4-5 (RT)
    Нет в наличии
    Арт. 6E4-42129-00-RT
    В корзину
    Загрузить еще
    1 ... 7 8 9 10 11 ... 16
    Категория
    • Запчасти и комплектующие для лодочных моторов и катеров
      • Запчасти для лодочных моторов
        • Румпель
          • Детали румпеля
          • Румпель в сборе
          • Тросики газа
    Фильтр
    Выбрано 0 Показать0
    Показать 0
    Подписаться
    на новости и акции
    Интернет-магазин
    Каталог
    Акции
    Бренды
    Услуги
    Компания
    О компании
    Информация
    Помощь
    Условия оплаты
    Условия доставки
    Гарантия на товар
    Вопрос-ответ
    Обзоры
    Контакты
    info@akva.parts
    г. Владивосток, ул. Днепровская 115
    © 2026 Аквацентр ДВ
    Конфиденциальность
    Оферта
    Разработано в Akyzo
    Главная Каталог Поиск Контакты